|
本设备装置运用于合成HCL和回收HCL气体,也可用于H2、S、S02、NH3等气体的吸收及高浓度气体的吸收净化,得到的产品尝试比绝热吸收高碳5%。采用多级串联,循环吸收,效率可以达到98%以上,吸收能力根据吸收器的生产能力,可以在较大范围内调整。
整套装置采用石墨改性聚丙烯隆膜吸收器、喷淋填料塔、循环槽、循环泵、风机(亦用真空)、风管等。
设备技术性能:
1、温度:本设备适用工作温度范围-10~20℃ 2、压力:吸收器工作压力≤250Pa,真空度≤600mmHg柱 喷淋填料塔工作压力≤200Pa,真空度≤400mmHg柱
3、阻力损失: 吸收器阻力损失800Pa,喷淋填料塔阻力损失500Pa.
工作原理: 具有一定压力的工作流体从e口通道经喷咀调整射出,使喷咀出口至泵下端喉管区域形成真空,使f气体与e口流体混合从g口排出,从而达到理想的抽气真空效果。 使用说明: 为确保设备良好运转及达到理想的抽气真空效果,请按系列表上的水量、水压提供配套水泵,按示意图要求安装,另水压提高拜师增大。 安装说明: 设备安装按示意图。泵体保证垂直,c口下端请按同口径管,接长1.2-1.5米。 管口说明: e-压力水连接口 f-真空管连接口 g-尾管连接 主要技术指标 材质:PP;PVC
|
型号
|
真空度 mmHG |
保证达到真空度 mmHG |
保证吸气量 m3/h |
配套离心泵 型号(功率) |
工作水流量 m3/b
|
|
PSB-40 |
740 |
720 |
40 |
50FP-28(4KW) |
30 |
|
PSB-60 |
745 |
720 |
60 |
80FP(D)-30(5.5KW) |
54 |
|
PSB-80 |
740 |
715 |
80 |
80FP-32(7.5KW) |
54 |
|
PSB-100 |
740 |
720 |
100 |
100FP-32(11-15KW) |
54 |
|
PSB-120 |
680 |
600 |
120 |
80FP-32(7.5KW) |
54 |
|
PSB-200 |
730 |
720 |
200 |
100FP-32(11-15KW) |
170 |
|
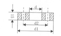
型号 |
a |
b |
c |
e |
f |
g |
|
d |
d1 |
d2 |
d |
d1 |
d2 |
d |
d1 |
d2 |
|
PSB-40 |
1030 |
180 |
660 |
40 |
130 |
100 |
50 |
140 |
110 |
65 |
160 |
130 |
|
PSB-60 |
1250 |
230 |
810 |
50 |
140 |
110 |
65 |
160 |
130 |
80 |
185 |
150 |
|
PSB-80 |
1350 |
230 |
910 |
50 |
140 |
110 |
65 |
160 |
130 |
80 |
185 |
150 |
|
PSB-100 |
1470 |
210 |
1000 |
50 |
140 |
110 |
70 |
160 |
130 |
80 |
185 |
150 |
|
PSB-120 |
1580 |
220 |
1100 |
50 |
140 |
110 |
80 |
185 |
150 |
100 |
205 |
170 |
|
PSB-200 |
1740 |
280 |
1200 |
100 |
205 |
170 |
125 |
240 |
200 |
125 |
240 |
200 |
|